FREE SHIPPING above Rs. 999/- | CASH ON DELIVERY*

Shasons 2 jaw Screw Operated Self Centering Chucks

Shasons 2 jaw Screw Operated Self Centering Chucks

Price :
7540.00
GST inclusive
Model:
Quantity:

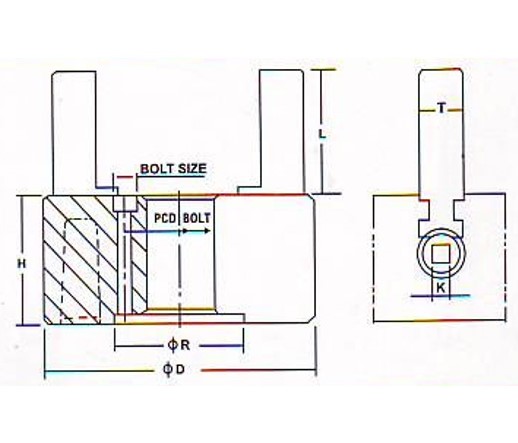
Normal size ØD

H

ØR

Bolt PCD

Bolt Size

Jaw L

Jaw T

Square punch K

Approx weigt in kgs

160

91

125

140

3/8”

90

34

12

13

250

95

125

105

1/2”

130

40

12

25

 

  • Body-high tensile, wear resistance cost iron hardened 180-200Bhn
  • Jaw-case hardening steel, hardness of lower portion of jaw 56-60HRC and upper portion soft 
  • Screw & lock-case hardening alloy steel interchangeable