FREE SHIPPING above Rs. 999/- | CASH ON DELIVERY*

CNC Sleeve Shank32

CNC Sleeve Shank32

Price :
425.00
GST inclusive
Model:
Quantity:

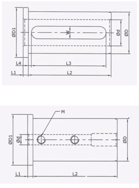
Shank

ØD mm

Bore

Ød mm

ØD1 mm

W mm

L1 mm

L2 mm

L3 mm

L4 mm

M thread

32

7

38

-

5

60

-

-

M5

32

8

38

-

5

60

-

-

M6

32

10

38

-

5

60

-

-

M8

32

12

38

-

5

60

-

-

M8

32

20

38

10

5

60

52

3

-

32

25

38

10

5

60

52

3

-

 

  • Manufactured from selected high-grade carbon steel. we put full effort into providing you world-class tooling 
  • Universal model turrent sleeve is suitable for any make of turrent 
  • Suitable to hold cylindrical shank tools on turret of CNC sleeve