FREE SHIPPING above Rs. 999/- | CASH ON DELIVERY*

Bonet Dog Chuck

Bonet Dog Chuck

Price :
7499.00
GST inclusive
Model:
Quantity:

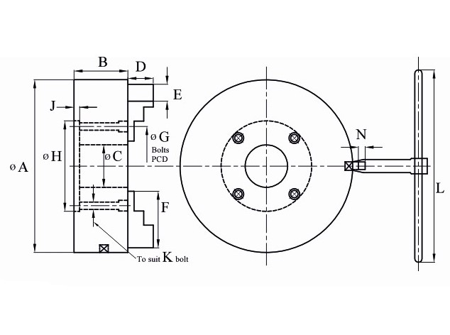
Size

A

B

C(H7)

D

E

F

G(Bore)

H(H7)

J

K

L

N

Wt (kgs) approx.

100

102

55

25.4

22

19.0

42

70

85

5

M8

140

7

3.8

200

200

87

50

38

29.9

78

100*

80*

6

M10

250

10

15.4

305

305

95

75

50

34.9

105

140

160

10

M12

350

12

36.2

 

  •  Heavy Duty chucks refereed as HD, are suitable for normal working conditions. However these chucks will stand well ahead in Quality, Load carrying capacity and Life if compared with other competitive brands available in the market. Where other brands of chucks fail to give service, Bonmac chucks will give trouble free service for long period. The jaw-ways in body are of robust proportion which can withstand heavy loads. The diameter of screws is large enough to tolerate heavy cutting pressure and moreover large diameter of screws provide more contact area with threads of jaws. ACME threads of screws are very strong as the same have 29 degree taper. These do not break easily due to strength provided by large base of taper thread. Chucks from 160mm onward have , double type thrust bearings of robust proportions which provide great strength. Operating Key, Mounting Bolts & Inspection Report is provided with each chuck.